8+ tb210 parts diagram
MTD Lawn Mower Model TB210 Parts are easily labeled on this page to help you find the correct component for your repair. Mower blade does not cut.
Troy Bilt Self Propelled Lawn Mower Model 12a A25u211 Mtd Parts
Free shipping on parts orders over 45.

. Troy-Bilt TB210 Parts List And Diagram - 12A-A25S011 2012. Choose a symptom to view a list of parts that fix that symptom. Tb230 tb130 tb210 troy bilt mower 11a mtd ereplacementparts.
This is an authentic replacement part manufactured for use with Craftsman walk-behind lawnmowers. The TB210R delivers excellent performance in an ultra compact design. General Assembly TB210 74705214D BAIL OPERATOR 600 535 Add to Cart 74905084b0637 Upper Handle My Sp 2844 Add to Cart 647042710637 Grass Catcher Frame.
65mo No interest if paid in. There are a couple of ways to find. Troy Bilt TB210 12A-A25S011 2012 12A-A25S011 2012 General Assembly TB210 Parts Diagram Quick Reference TB210 General Assembly TB210 Label Map TB210 TB210 12A.
Up to 32 cash back Here are the diagrams and repair parts for MTD TB210 lawn mower as well as links to manuals and error code tables if available. Up to 6 cash back MTD Lawn Mower Model TB210 Parts. Ad Shanks Lawn Maintains A Huge Inventory Of Genuine Troy-Bilt Parts.
How to read the parts manual89 Reference 0 ページ 0. Use our part lists interactive diagrams accessories and expert repair advice to make your repairs easy. Troy-Bilt TB210 12A-A26M011 2011 Self-Propelled Walk-Behind Mower Parts We Sell Only Genuine Troy-Bilt Parts Find Part By Symptom Choose a symptom to view parts that fix it.
Buy Troy-bilt parts online from one of the nations largest dealers. Use Our Parts Lookup To Find The Right Part For Your Model And Get It Working Again Today. Up to 56 cash back Find parts and product manuals for your TB210 Troy-Bilt Self-Propelled Lawn Mower.
79 out of 94 84 reviewers recommend this product. TB210R P-TB210R_B-XB BB8Z000-0-A SN 211000004-How to read the parts manual99 Reference 0 ページ 0. It has an impressive feature set that includes pattern change valve pilot controls retractable undercarriage.
Fix It Easy With Our Step-By-Step Instructions. Up to 56 cash back TB210 Self-Propelled Lawn Mower. Engine will not idle.
Need to fix your TB210 12A-A25U7112013 Lawn Mower. Ad Shop For Chainsaw Spare Parts.
Troy Bilt Tb 210 12a A25s011 Troy Bilt Walk Behind Mower 2012 General Assembly Tb210 Parts Lookup With Diagrams Partstree
Troy Bilt Tb210 12a A25s011 2012 12a A25s011 2012 Parts Diagrams
Troy Bilt Self Propelled Walk Behind Mower Tb210 Ereplacementparts Com
Takeuchi Tb175 W Hydraulic Excavator Parts Catalogue Manual Serial N
Operator S Manual Troy Bilt Tb210 Self Propelled Mower 769 08404 Youtube
Troy Bilt Tb200 12a A2bu711 15 Self Propelled Mower Partswarehouse
Schematic Diagram Of The Immunomodulatory And Bronchodilatory Effects Download Scientific Diagram
Takeuchi Ts70v Oem Parts Diagrams
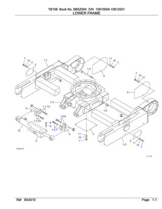
Takeuchi Tb108 Compact Excavator Parts Catalogue Manual Sn10810004 10
Troy Bilt 12ava2mr766 Tb 210 2019 Parts Diagrams
Amazon Com Snap Circuits Classic Sc 300 Electronics Exploration Kit Over 300 Projects Full Color Project Manual Snap Circuits Parts Stem Educational Toy For Kids 8 2 3 X 13 6 X 19 3 Inches Toys Games
Nanobodies And Chemical Cross Links Advance The Structural And Functional Analysis Of Pi3ka Pnas
Plan Templates Mural
Troy Bilt Self Propelled Walk Behind Mower Tb210 Ereplacementparts Com
Energies Free Full Text A Cost Effective Passive Active Hybrid Equalizer Circuit Design Html
Buy Lockmaster 1200kg Sliding Electric Gate Opener Motor Remote Hardware Rail 4m At Barbeques Galore
Linkurious Administration Manual V3 1 11